| 型号 | BRC25LA | ||
| 旧型号 | BRH25AL | ||
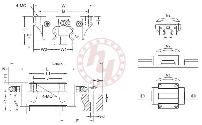
| 组合尺寸 | H | 36 | mm |
| W | 70 | mm | |
| W2 | 23.5 | mm | |
| E | 7 | mm | |
| 滑座尺寸 | L | 110.1 | mm |
| B×J | 57×45 | mm | |
| MQ×l | M8×12 | mm | |
| L1 | 79.1 | mm | |
| 油孔 | M6×1 | mm | |
| T1 | 7.8 | mm | |
| (N) | 15.6 | mm | |
| 滑轨尺寸 | W1 | 23 | mm |
| H1 | 33 | mm | |
| F | 60 | mm | |
| d×D×h | 7×11×9.5 | mm | |
| 参考资料 | Lmax | 4000 | mm |
| G | 20 | mm | |
| 基本荷重 | 动额定负荷(C) | 2600 | Kgf |
| 静额定负荷(CO) | 4600 | Kgf | |
| 容许静力矩 | Mx | 52.9 | Kgf*m |
| My | 45.5 | Kgf*m | |
| Mz | 45.5 | Kgf*m | |
| 重量 | 滑块 | 0.72 | Kg |
| 滑轨 | 3.6 | Kg/m |
